一、概述
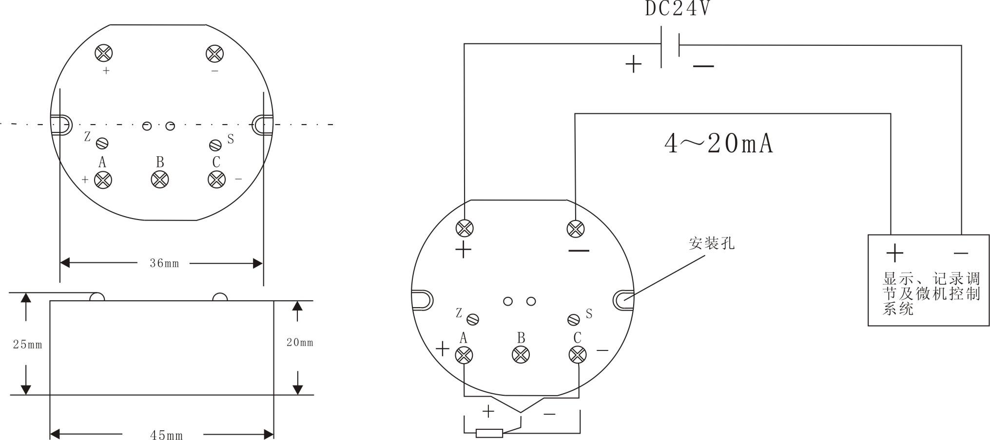
SBW 系列溫度變送器,是一種現場安裝式溫度變送單元,采用兩線制傳輸方式(電源輸入與信號輸出為二根公用導線),輸出與被測溫度成線性的4~20mA 電流信號。變送器可安裝與熱電偶、熱電阻的接線盒內與之形成一體化結構,也可作為功能模塊安裝在檢測設備中,熱電偶溫度變送器具有冷端自動補償功能。廣泛應用工控領域,進行自動化檢測、變送和控制。
二、技術參數
測量精度:±0.1%、±0.2%、±0.5%
輸入:K、E、S、T、J、PT100、CU50
輸出(二線制):在量程范圍內輸出4~20mA
冷端補償誤差:<1℃~2℃/K、E、J、S
負載電阻:0~600Ω
工作電源:額定工作電壓DC24V;工作電壓最低DC12V,最高35V,(>24V 時需外接500Ω保護電阻)
工作環境:-25℃~85℃,相對濕度≤85%RH,無腐蝕性及無強電磁輻射場合
三、外型尺寸及儀表接線

四、型號意義
SBW □ - □ □
① ② ③
① 分度號:
熱電偶 RK: K RE: E RJ: J
RS: S RB: B RT: T
熱電阻 ZC: Cu50 ZP: Pt100
② 變送范圍:
01:0~100℃ 02:0~200℃ 03:0~300℃ 04:0~400℃
05:0~500℃ 06:0~600℃ 07:0~700℃ 08:0~800℃
09: 0~900℃ 010:0~1000℃ 011:0~1100℃ 012:0~1200℃
50:-50~150℃ 51:-50~50℃ 52:-50~100℃ 53:0~150℃
025:0~250℃ 035:0~350℃ 045:0~450℃ 055:0~550℃
無特殊要求:電源、輸出二線制,非隔離型,DC24V 供電(特殊定貨請來電說明)



